• Master control module
• 24Vdc/24Vac/110Vac/230Vac
• LED diagnostics
• Dual Channel Output
• Automatic/manual-monitored reset
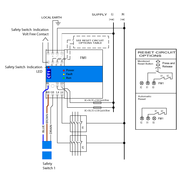
The FM1 is the master control module for each F Series safety system. The FM1 provides 2 NO force guided contact safety outputs, internal and external relay monitoring circuit, LED system indication and the dynamic signal input for one Mechan safety switch sensor.
The FM1 can be ordered to operate with 24Vdc, 24Vac, 110Vac or 230Vac supply




| Technical Specifications | |
|---|---|
| Reset Options | Manual / Automatic |
| Construction | Grey PC-GF |
| Indication | LED's for Power, Run & Fault. Guard Status LED |
| IP Rating | Housing IP30, Terminals IP20 |
| Weight | DC = 290g AC = 420g |
| Mounting | 35mm DIN Rail |
| Supply Voltage Options | 24VDC / 24VAC / 110VAC / 230VAC |
| Power Consumption | 6VA |
| Safety Output | 2 Normally Open |
| Safety Output Rating | 4A/230Vac; 2A/24Vdc(Res.) @Cos=1 |
| Cable / Connector | Screw Terminals |
| Coding | Electronic, Generic code |
| Input | 1 Electronic Safety Switch |
| Dimensions of Control Unit (mm) | 105 x 90 x 59mm |
| Environmental Specifications | |
| Operating Temperature | 0°C to 45°C |
| Storage Temperature | -20°C to 60°C |
| Safety Related Data | |
| PL in accordance with EN ISO 13849-1 | PL-e, CAT 4 |
| SIL CL in accordance with EN IEC 62061 | SIL 3 |
| PFHd in accordance with EN IEC 62061 | 6.0 x 10 -9 |
| PFH | 6.52 x 10 -9 |
| B10d | 2,000,000 |
| MTTFd | High > 100 Years ( Based on usage rate of 360 Days |
| TM | 20 years |
| DC | 99% |
| SFF | 99.50% |
| File Title | File Name | Download File |
|---|---|---|
| 327 400 ID Iss8 Mechan F Series Install Guide | 327-400-ID-Iss8-Mechan-F-Series-Install-Guide.pdf | PDF (1010 KB) |